一、自循环风机原理
自循环风机是一种特殊设计的通风设备,其核心工作原理是通过内部气流循环实现高效通风换气。与传统风机相比,自循环风机具有独特的运行机制:
1. 气流循环原理:自循环风机通过内部导流结构,使部分排出气体重新进入进气口,形成内部循环气流。这种设计既保证了新鲜空气的引入,又实现了能量的部分回收。
2. 能量回收机制:循环气流携带的热量或冷量可被部分再利用,显著降低能耗。在空调系统中,这一特性可减少30-50%的能量损失。
3. 压力平衡原理:自循环风机通过精确控制循环气流比例,维持系统内部压力平衡,特别适用于需要稳定微正压或微负压的工况环境。
4. 自清洁效应:循环气流可带走设备内部积聚的灰尘和颗粒物,通过内置过滤器实现自清洁功能,延长维护周期。
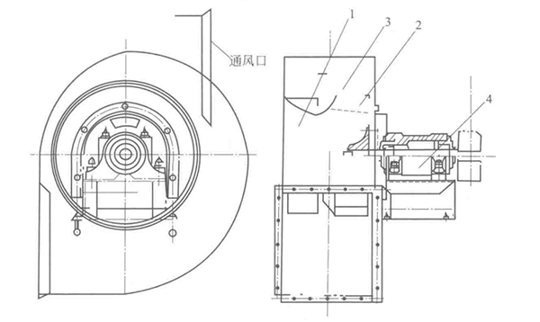
二、结构组成

自循环风机由七大核心部件构成精密系统:
1. 驱动系统:
- 高效永磁同步电机(效率达IE4/IE5标准)
- 变频控制系统(0-100%无级调速)
- 减震装置(橡胶减震垫+弹簧减震器)
2. 叶轮组件:
- 后向离心式叶轮(航空铝合金材质)
- 动态平衡等级G2.5
- 特殊涂层处理(防腐、耐磨)
3. 循环风道:
- 双层隔音结构(降噪30dB以上)
- 导流叶片(可调角度±15°)
- 热交换单元(铝制波纹板式)
4. 过滤系统:
- 初效过滤器(G4等级)
- 中效过滤器(F7-F9可选)
- 活性炭滤网(VOC去除率>90%)
5. 控制系统:
- PLC控制器(支持MODBUS协议)
- 温湿度传感器(±1%精度)
- 压差监测装置(量程0-500Pa)
6. 外壳结构:
- 304不锈钢框架
- 双层镀锌板箱体
- 防火保温层(A级防火材料)
7. 辅助部件:
- 检修门(快开式设计)
- 观察窗(钢化玻璃)
- 排水装置(自动启闭)




